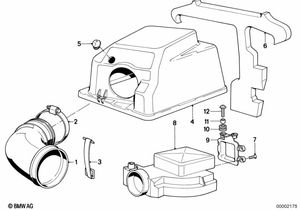
Gasket - BMW-Motorrad (13721453061)
Details
- Disclaimer: Operating, servicing and maintaining a passenger vehicle or off-road vehicle can expose you to chemicals including engine exhaust, carbon monoxide, phthalates, and lead, which are known to the State of California to cause cancer and birth defects or other reproductive harm. To minimize exposure, avoid breathing exhaust, do not idle the engine except as necessary, service your vehicle in a well-ventilated area and wear gloves or wash your hands frequently when servicing your vehicle. For more information go to www.P65Warnings.ca.gov/passenger-vehicle.
Also Purchased
Motorcycle Fitment
Select Your Vehicle Select
| Year | Make | Model | Body & Trim | Engine & Transmission |
|---|
BMW Motorcycles of Tyrone
Searching for somewhere you can trust purchasing genuine parts and accessories for your BMW Motorcycle online? You've come to the right place! BMW Motorcycles of Tyrone is your go-to online retailer for original BMW Motorrad parts and accessories.
BMW-Motorrad
Shop authentic OEM BMW Motorrad products. Keep your BMW Motorrad running at its best by using only authentic OEM parts.
