Home
(814) 861-7890
My Cart
Parts
Accessories
Gear
My Account
Policies
My Account
Track Orders
Contact Us
Cart
Cart is Empty
Parts
Accessories
Gear
icons
1985 BMW-Motorrad R 100 RS
×
Recent Motorcycles
1985 BMW-Motorrad R 100 RS
Catalog
Add Motorcycle
Search All Motorcycles
Delete All Vehicles from My Garage
Search Bar 3
Search by Part Number(s), Keywords, or VIN
Featured Categories
Brakes
Batteries
All Categories
Air Intake & Fuel Delivery
Audio, Navigation, and Information Systems
Belts, Pulleys & Brackets
Body Equipment
Brakes
Cooling Systems
Electrical Systems
Engine Components
Gaskets
Lights
Suspension
Wheels & Tires
Additional Parts
Manuals and Handbooks
Air Intake & Fuel Delivery
Air Cleaner Assemblies
Air Intake Systems
Fuel Injectors
Fuel Pumps
Fuel Systems
Fuel Tanks
Full Set Gaskets
Throttle Valve And Actuators
Audio, Navigation, and Information Systems
Alarm Systems
Audio, Navigation, and Information Systems
Cruise Control Components
Instrument Panels
Instruments and Gauges
Navigation & Communication Tools
On Board Computers
Belts, Pulleys & Brackets
Belts, Pulleys & Brackets
Hoses & Clamps
Timing Belts & Chains
Body Equipment
Body Equipment
Fenders
Frame and Mounting
Handlebar Circumference Parts
Mirrors
Mouldings & Trim
Trim
Brakes
Bowden Cables
Brake Calipers
Brake Discs, Rotors & Hardware
Brake Drums
Brake Lines
Brake Master Cylinders
Brake Pads
Brakes
Cooling Systems
Coolant Lines
Cooling Systems
Radiators & Parts
Thermostats & Parts
Water Pumps
Electrical Systems
Alternators
Battery with Brackets
ECU Modules
Electrical Systems
Spark Plugs
Switches and Controls
Voltage Regulators
Engine Components
Air Filters
Camshafts, Lifters, & Parts
Cylinder Heads
Engine Components
Engines
Motor Mounts
Piston With Rings And Wristpins
Valve Covers
Gaskets
Exhaust Gaskets
Gaskets
Intake Gaskets
Oil Pan Gaskets
Lights
Fog Lamps And Auxiliary Lights
Headlight Bulbs
Headlights
Light Assemblies
Lights
Side Marker Lights
Tail Lights
Taillight Bulbs
Turn Signals
Suspension
Coil Springs
Control Arms
Mechanical Hydraulic Components
Shocks & Struts
Suspension & Steering
Suspension Parts
Sway Bars
Transmissions
Wheels & Tires
Tire Accessories
Tire Pressure Monitor Systems
Wheel Center Caps
Wheel Hubs & Bearings
Wheel Lugs
Wheels and Tires
Additional Parts
Cable Harnesses
Center Stands
Clutch Throwout Bearing With Lever
Drive Shafts
Exhaust Systems
Oil Coolers
Oil Filters
Rear Wheel Swinging Arms
Manuals and Handbooks
Equipment and Tools
Multilingual Repair Manuals
Owners Handbooks
Repair Manuals
All Categories
F Series
G Series
H Series
K Series
R Series
S Series
F Series
F650
F650 Enduro
F650 SE
F650CS
F650CS ABS
F650GS
F650GS ABS
F650GS Dakar
F800GS
All Models
G Series
G310GS
G310R
G650 Xchallenge
G650 Xcountry
G650 Xmoto
G650GS
G650GS Sertao
H Series
HP2 Enduro
HP2 Megamoto
HP2 Sport
HP4
HP4 RACE
K Series
K1
K100
K100LT
K100LT ABS
K100RS
K100RS ABS
K100RS FL
K1200LT
K75
All Models
R Series
R 18
R 18 B
R 18 Classic
R 18 Transcontinental
R nine T
R nine T /5
R1200C
R1200GS
R1250RT
All Models
S Series
S1000R
S1000RR
S1000XR
All Categories
Motorcycle Accessories
All Accessories
Cigarette Lighter Power Sockets
Cup Holders
Dash Parts
Design Accessories
Electronics
Ergonomics & Comfort Accessories
Grilles
Loudspeakers
Luggage and Saddlebags
Maintenance and Technology Tools
All Accessories
Motorcycle Accessories
Motorcycle Windshield Trim
Mud Flaps
Mud Guards
Painted Parts
Protection and Safety Accessories
Shift Levers
Sound and Performance Parts
Sound Systems
Spoilers & Wings
Home
1985 BMW-Motorrad R 100 RS
Inside Shift-Control Components
Inside Shift-Control Components for 1985 BMW-Motorrad R 100 RS
Motorcycle
1985 BMW-Motorrad R 100 RS
Change Motorcycle
Categories
All
Parts
Accessories
Body Equipment
Colors, Paint and Base Material
Locks
Mirrors, Trim, Storage Compartments
Painted Parts
Vehicle Trim
Brakes
Brake Lines
Brake Master Cylinder
Front Wheel Brake
Rear Wheel Brake
Clutch
Clutch Throwout Bearing with Lever
Clutch with Clutch Plate
Engine
Camshaft
Connecting Rod with Bearing
Crankshaft with Bearing
Cylinder Head with Cover
Engine / Running Gear
Engine Block
Housing Cover
Housing Ventilation
Oil Cooler with Supply and Return Lines
Oil Filter and Lines
Oil Pan
Oil Pump with Filter Screen and Drive
Piston with Rings and Wristpin
Valves with Springs
Engine Electrical System
Alternator with Pulley and Mounts
Ignition Wire, Spark Plugs
Starter
Exhaust System
Exhaust System Parts with Mounts
Frame and Mounting Parts
Center Stand
Footrests
Front Wheel Fender
Luggage System
Motorcycle Frame
Motorcycle Trim Section, Windshield
Rear Wheel Cover, License Plate Bracket
Safety Bar
Side Stand
Front Axle, Front Suspension
Telescopic Forks, Telelever
Fuel Supply
Fuel Container with Filler Pipe
Lines
Ventilation, Emissions Monitoring
Fuel System
Carburetor
Intake Muffler
General Electrical System
Anti-Theft Horm, Horn
Auxiliary Cable
Battery with Bracket
Cable Harness
Plug-in Connection, Clamp
Relay
Switch
Instruments
Instrument Cluster
Lights
Headlight
Priority Vehicle Light (Authorities)
Taillights
Turn Signals, Front
Luggage & Storage
Maintenance & Technology
Manual Transmission
Housing with Cover
Inside Shift-Control Components
Manual Transmission
Outside Shift-Control Components
Transmission Shafts
Parts and Accessories for Engine / Chassis
Car Tool
Special Vehicles
Rear Axle, Rear-Wheel Drive, Suspension
Drive Shaft
Gears with Bearings, Angle Gearbox Rear
Housing, Right-Angle Gearbox, Rear
Rear Swing Arm with Bearing, Strut
Spring Strut, Mounted Parts
Seats and Seat Bench
Bench Seat
Radio Telephone Box
Steering
Bowden Cables
Control Assembly
Motorcycle Handlebars
Steering Damper
Technical Literature
General Operating Permit
Installation Instructions
Miscellaneous
Owner Handbook
Parts Information
Repair / Service / Maintenance
Repair Manuals
Wiring Schemes
Wheels and Tires
Wheels with Bearings
Body Equipment
Colors, Paint and Base Material
Locks
Mirrors, Trim, Storage Compartments
Painted Parts
Vehicle Trim
Brakes
Brake Lines
Brake Master Cylinder
Front Wheel Brake
Rear Wheel Brake
Clutch
Clutch Throwout Bearing with Lever
Clutch with Clutch Plate
Engine
Camshaft
Connecting Rod with Bearing
Crankshaft with Bearing
Cylinder Head with Cover
Engine / Running Gear
Engine Block
Housing Cover
Housing Ventilation
Oil Cooler with Supply and Return Lines
Oil Filter and Lines
Oil Pan
Oil Pump with Filter Screen and Drive
Piston with Rings and Wristpin
Valves with Springs
Engine Electrical System
Alternator with Pulley and Mounts
Ignition Wire, Spark Plugs
Starter
Exhaust System
Exhaust System Parts with Mounts
Frame and Mounting Parts
Center Stand
Footrests
Front Wheel Fender
Luggage System
Motorcycle Frame
Motorcycle Trim Section, Windshield
Rear Wheel Cover, License Plate Bracket
Safety Bar
Side Stand
Front Axle, Front Suspension
Telescopic Forks, Telelever
Fuel Supply
Fuel Container with Filler Pipe
Lines
Ventilation, Emissions Monitoring
Fuel System
Carburetor
Intake Muffler
General Electrical System
Anti-Theft Horm, Horn
Auxiliary Cable
Battery with Bracket
Cable Harness
Plug-in Connection, Clamp
Relay
Switch
Instruments
Instrument Cluster
Lights
Headlight
Priority Vehicle Light (Authorities)
Taillights
Turn Signals, Front
Manual Transmission
Housing with Cover
Inside Shift-Control Components
Manual Transmission
Outside Shift-Control Components
Transmission Shafts
Parts and Accessories for Engine / Chassis
Car Tool
Special Vehicles
Rear Axle, Rear-Wheel Drive, Suspension
Drive Shaft
Gears with Bearings, Angle Gearbox Rear
Housing, Right-Angle Gearbox, Rear
Rear Swing Arm with Bearing, Strut
Spring Strut, Mounted Parts
Seats and Seat Bench
Bench Seat
Radio Telephone Box
Steering
Bowden Cables
Control Assembly
Motorcycle Handlebars
Steering Damper
Technical Literature
General Operating Permit
Installation Instructions
Miscellaneous
Owner Handbook
Parts Information
Repair / Service / Maintenance
Repair Manuals
Wiring Schemes
Wheels and Tires
Wheels with Bearings
Luggage & Storage
Maintenance & Technology
Browse Categories
×
Select category
All
Parts
Accessories
Body Equipment
Colors, Paint and Base Material
Locks
Mirrors, Trim, Storage Compartments
Painted Parts
Vehicle Trim
Brakes
Brake Lines
Brake Master Cylinder
Front Wheel Brake
Rear Wheel Brake
Clutch
Clutch Throwout Bearing with Lever
Clutch with Clutch Plate
Engine
Camshaft
Connecting Rod with Bearing
Crankshaft with Bearing
Cylinder Head with Cover
Engine / Running Gear
Engine Block
Housing Cover
Housing Ventilation
Oil Cooler with Supply and Return Lines
Oil Filter and Lines
Oil Pan
Oil Pump with Filter Screen and Drive
Piston with Rings and Wristpin
Valves with Springs
Engine Electrical System
Alternator with Pulley and Mounts
Ignition Wire, Spark Plugs
Starter
Exhaust System
Exhaust System Parts with Mounts
Frame and Mounting Parts
Center Stand
Footrests
Front Wheel Fender
Luggage System
Motorcycle Frame
Motorcycle Trim Section, Windshield
Rear Wheel Cover, License Plate Bracket
Safety Bar
Side Stand
Front Axle, Front Suspension
Telescopic Forks, Telelever
Fuel Supply
Fuel Container with Filler Pipe
Lines
Ventilation, Emissions Monitoring
Fuel System
Carburetor
Intake Muffler
General Electrical System
Anti-Theft Horm, Horn
Auxiliary Cable
Battery with Bracket
Cable Harness
Plug-in Connection, Clamp
Relay
Switch
Instruments
Instrument Cluster
Lights
Headlight
Priority Vehicle Light (Authorities)
Taillights
Turn Signals, Front
Luggage & Storage
Maintenance & Technology
Manual Transmission
Housing with Cover
Inside Shift-Control Components
Manual Transmission
Outside Shift-Control Components
Transmission Shafts
Parts and Accessories for Engine / Chassis
Car Tool
Special Vehicles
Rear Axle, Rear-Wheel Drive, Suspension
Drive Shaft
Gears with Bearings, Angle Gearbox Rear
Housing, Right-Angle Gearbox, Rear
Rear Swing Arm with Bearing, Strut
Spring Strut, Mounted Parts
Seats and Seat Bench
Bench Seat
Radio Telephone Box
Steering
Bowden Cables
Control Assembly
Motorcycle Handlebars
Steering Damper
Technical Literature
General Operating Permit
Installation Instructions
Miscellaneous
Owner Handbook
Parts Information
Repair / Service / Maintenance
Repair Manuals
Wiring Schemes
Wheels and Tires
Wheels with Bearings
Body Equipment
Colors, Paint and Base Material
Locks
Mirrors, Trim, Storage Compartments
Painted Parts
Vehicle Trim
Brakes
Brake Lines
Brake Master Cylinder
Front Wheel Brake
Rear Wheel Brake
Clutch
Clutch Throwout Bearing with Lever
Clutch with Clutch Plate
Engine
Camshaft
Connecting Rod with Bearing
Crankshaft with Bearing
Cylinder Head with Cover
Engine / Running Gear
Engine Block
Housing Cover
Housing Ventilation
Oil Cooler with Supply and Return Lines
Oil Filter and Lines
Oil Pan
Oil Pump with Filter Screen and Drive
Piston with Rings and Wristpin
Valves with Springs
Engine Electrical System
Alternator with Pulley and Mounts
Ignition Wire, Spark Plugs
Starter
Exhaust System
Exhaust System Parts with Mounts
Frame and Mounting Parts
Center Stand
Footrests
Front Wheel Fender
Luggage System
Motorcycle Frame
Motorcycle Trim Section, Windshield
Rear Wheel Cover, License Plate Bracket
Safety Bar
Side Stand
Front Axle, Front Suspension
Telescopic Forks, Telelever
Fuel Supply
Fuel Container with Filler Pipe
Lines
Ventilation, Emissions Monitoring
Fuel System
Carburetor
Intake Muffler
General Electrical System
Anti-Theft Horm, Horn
Auxiliary Cable
Battery with Bracket
Cable Harness
Plug-in Connection, Clamp
Relay
Switch
Instruments
Instrument Cluster
Lights
Headlight
Priority Vehicle Light (Authorities)
Taillights
Turn Signals, Front
Manual Transmission
Housing with Cover
Inside Shift-Control Components
Manual Transmission
Outside Shift-Control Components
Transmission Shafts
Parts and Accessories for Engine / Chassis
Car Tool
Special Vehicles
Rear Axle, Rear-Wheel Drive, Suspension
Drive Shaft
Gears with Bearings, Angle Gearbox Rear
Housing, Right-Angle Gearbox, Rear
Rear Swing Arm with Bearing, Strut
Spring Strut, Mounted Parts
Seats and Seat Bench
Bench Seat
Radio Telephone Box
Steering
Bowden Cables
Control Assembly
Motorcycle Handlebars
Steering Damper
Technical Literature
General Operating Permit
Installation Instructions
Miscellaneous
Owner Handbook
Parts Information
Repair / Service / Maintenance
Repair Manuals
Wiring Schemes
Wheels and Tires
Wheels with Bearings
Luggage & Storage
Maintenance & Technology
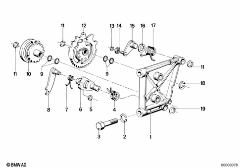
1
$97.89
Supporting Bracket -
BMW-Motorrad
10
$250.69
Shifting Cam - 3/4
BMW-Motorrad
11
$1.63
Lock Ring - 12X1.0
BMW-Motorrad
11
$1.63
Lock Ring - 12X1.0
BMW-Motorrad
11
$1.63
Lock Ring - 12X1.0
BMW-Motorrad
13
$6.35
Lock Ring - 8X0.8
BMW-Motorrad
14
$8.51
Roll Pin -
BMW-Motorrad
16
$3.24
Shim - 18X12X1
BMW-Motorrad
17
$7.91
Spring -
BMW-Motorrad
18
$1.50
Circlip - 10-Zns3
BMW-Motorrad
19
$1.86
Lock Ring - 15X1-zn
BMW-Motorrad
2
$0.84
Wave Washer - B10-zns3
BMW-Motorrad
3
$8.03
Fit Bolt -
BMW-Motorrad
4
$7.68
Spring -
BMW-Motorrad
5
$1.51
Circlip - D=6mm
BMW-Motorrad
6
$34.46
Segment Shaft -
BMW-Motorrad
7
$3.91
Spring -
BMW-Motorrad
8
$43.32
Pawl -
BMW-Motorrad
9
$2.10
O-Ring - 8X2 B
BMW-Motorrad
9
$2.10
O-Ring - 8X2 B
BMW-Motorrad
No.
Part # / Description
/ Price
Price
1
Supporting Bracket
23311234386
BMW-Motorrad
Notes:
View Details
View Details
2
Wave Washer - B10-zns3
07119904463
BMW-Motorrad
Notes:
View Details
View Details
3
Fit Bolt
23311231614
BMW-Motorrad
Notes:
View Details
View Details
4
Spring
23311231618
BMW-Motorrad
Notes:
View Details
View Details
5
Circlip - D=6mm
07119932841
BMW-Motorrad
Notes:
View Details
View Details
6
Segment Shaft
23311231578
BMW-Motorrad
Notes:
View Details
View Details
7
Spring
23311242910
BMW-Motorrad
Notes:
View Details
View Details
8
Pawl
23311242892
BMW-Motorrad
Notes:
View Details
View Details
9
O-Ring - 8X2 B
23311232599
BMW-Motorrad
Notes:
View Details
View Details
10
Shifting Cam - 3/4
23311451563
BMW-Motorrad
Notes:
View Details
View Details
11
Lock Ring - 12X1.0
07119934060
BMW-Motorrad
Notes:
View Details
View Details
13
Lock Ring - 8X0.8
07119934035
BMW-Motorrad
Notes:
$6.35
-
+
Add to Cart
$6.35
-
+
Add to Cart
14
Roll Pin
23311231572
BMW-Motorrad
Notes:
View Details
View Details
16
Shim - 18X12X1
07119932631
BMW-Motorrad
Notes:
View Details
View Details
17
Spring
23311234791
BMW-Motorrad
Notes:
View Details
View Details
18
Circlip - 10-Zns3
07119904911
BMW-Motorrad
Notes:
View Details
View Details
19
Lock Ring - 15X1-Zn
07119934082
BMW-Motorrad
Notes:
View Details
View Details
10
$1.61
Wave Washer - B16
BMW-Motorrad
11
$12.20
Collar Nut - M16X1.5
BMW-Motorrad
3
$195.06
Shifting Fork 3Rd and 4Th Gear -
BMW-Motorrad
4
$51.46
Selector Shaft -
BMW-Motorrad
5
$11.55
Hex Bolt -
BMW-Motorrad
6
$2.35
Washer - 5.3-140 Hv-zns
BMW-Motorrad
$2.76
Spring Washer Black - B6-zn
BMW-Motorrad
7
$3.92
Bush -
BMW-Motorrad
8
$81.82
Speedometer Drive -
BMW-Motorrad
No.
Part # / Description
/ Price
Price
3
Shifting Fork 3Rd And 4Th Gear
23311234217
BMW-Motorrad
Notes:
View Details
View Details
4
Selector Shaft
23311231643
BMW-Motorrad
Notes:
View Details
View Details
5
Hex Bolt
23111230599
BMW-Motorrad
Notes:
View Details
View Details
6
Washer - 5.3-140 Hv-Zns
07119936439
BMW-Motorrad
Notes:
View Details
View Details
6
Spring Washer Black - B6-Zn
07119932073
BMW-Motorrad
Notes:
$2.76
-
+
Add to Cart
$2.76
-
+
Add to Cart
7
Bush
23221030176
BMW-Motorrad
Notes:
View Details
View Details
8
Speedometer Drive
23221230058
BMW-Motorrad
Notes:
View Details
View Details
10
Wave Washer - B16
07119932162
BMW-Motorrad
Notes:
View Details
View Details
11
Collar Nut - M16X1.5
23211230084
BMW-Motorrad
Notes:
View Details
View Details