Shop All
My Garage
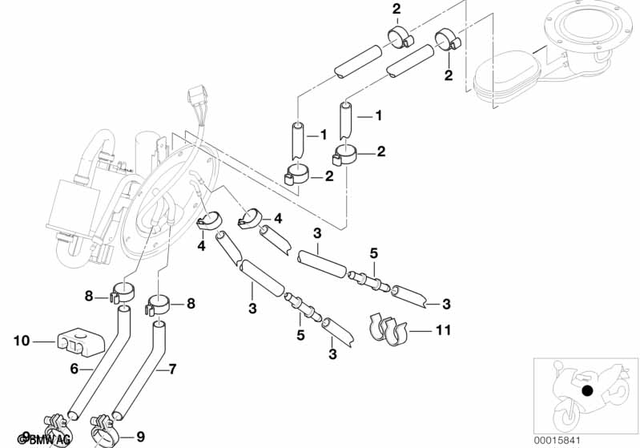
Choke Cable, Bottom
Part Number: 32731242138
BMW-Motorrad Applications: L=487Mm.
Other Names: Carburetor Choke Cable
Backordered
Choke Cable Right - L=545Mm
Part Number: 13231255977
BMW-Motorrad Applications: L=545Mm.
Other Names: Carburetor Choke Cable
Backordered
Choke Cable
Part Number: 32731242594
BMW-Motorrad Applications: L=764Mm.
Other Names: Carburetor Choke Cable
Backordered
Throttle Valve Assembly, Right
Part Number: 13547712614
BMW-Motorrad Other Names: Fuel Injection Throttle Body
$323.81
Accelerator Bowden Cable
Part Number: 32732302232
BMW-Motorrad Notes: Fg* modell 81.
Applications: L=382Mm.
Other Names: Fuel Injection Throttle Cable
Backordered
Accelerator Bowden Cable
Part Number: 32731457014
BMW-Motorrad Applications: L=993Mm.
Other Names: Fuel Injection Throttle Cable
Backordered
Hose, Valve, Throttle Valve Assembly
Part Number: 16137718338
BMW-Motorrad Other Names: Fuel Injection Throttle Body Heater Hose
$104.06
Backordered
Fuel Pump Unit Without Lever Sensor
Part Number: 16148554921
BMW-Motorrad Other Names: Electric Fuel Pump
$596.97
Backordered
Fuel Tank
Part Number: 16118537710
BMW-Motorrad Notes: Repair paint M955 white aluminum met.
Applications: Whitealu 3 Matt.
Other Names: Fuel Tank
Backordered
$81.26
No results found. Here are some helpful search tips:
- Search by a part name. Example: water pump.
- Be less specific. Example: brake instead of ceramic brake.
- Remove information such as make, year or model.
- Can't find the part you are looking for? Contact us and we'll find it for you!
